航空制造是尖端技术的集成,而先进产品的研制生产必然带动尖端技术的发展。航空制造对产品质量的要求最为苛刻,需要进行高精度三维检测,确保最终零部件型面与设计图无限趋近,避免偏差过大影响零部件性能。

对于高精密、规则零部件的测量,三坐标精度高,测量数据可靠,仍然是这类零部件工业计量的首选。但是对于复杂曲面、大尺寸、现场测量,三坐标测量则不适用,它需要通过监测点接触进行检测,无法获取完整型面的准确数据,在效率、测量环境方面也有诸多限制。
在轮廓复杂、曲面多样的航空零部件测量需求下,采用蓝光3D扫描技术有助于优化工作流程。ky体育在线官网XTOMkaiyun手机版登录入口官网
,可提供从数据扫描到报告生成的完整检测解决方案,更好、更快、更容易地完成检测流程。
航空发动机叶片检测
涡轮叶片性能日趋强悍,叶片型面越来越多样,装配组件不同,复合材料铸造工艺的融合,结构设计日趋复杂,测量难度大大提升。
针对翼型横截面区域,对齐,叶片轮廓,后缘半径和叶根部位形状,采用ky体育在线官网XTOM蓝光三维扫描仪,全尺寸采集涡轮叶片点云数据,可完成复杂翼型几何形状的测量任务。

蓝光3D扫描可进行高精度工业逆向工程及产品几何尺寸检测,辅助制造、产品数字化记录存档、虚拟装配验证等。

叶片三维扫描数据
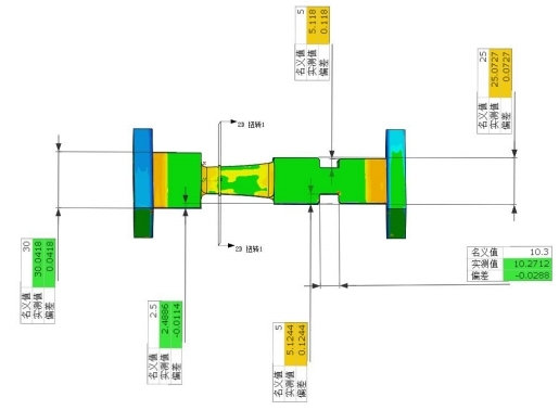
通过XTOM蓝光三维扫描仪,可精确获取叶片产品的三维数据信息,通过与原始3D数模直接对比并输出偏差值,从而达到产品检测目的。

自动生成的测量图文报告,可直观地体现产品超差或形变位移,使检测分析更省时高效。

叶片数模检测对比图
航空零部件磨损检测
航空零部件在使用过程中难免会发生磨损,对于机械零部件的保养维护格外重要。通过XTOM蓝光三维扫描仪,可以快速、高精度地获得零部件外形数据,并可进行形变分析,为外形改造及维修测量提供数据支撑。
利用蓝光三维扫描获取3D数据模型,可对磨损后的零部件进行分析,更加直观的看出损伤部位,方便对磨损直接给出合理的修理方案,提高飞机的安全性。
对于形变磨损零部件进行全尺寸分析,使整个检测过程更加完整。扫描检测数据自动生成,且可永久存档,为以后反复维修以及产品升级提供准确可靠的数据模型。

航空仪表软质橡胶件检测
对于软质的橡胶零部件,如何进行三维尺寸检测?它的检测难点是什么?如何保证测量过程工件不变形?不贴点,如何完成正方拼接?接下来为您一一解读。
面临的检测难题
1)橡胶密封件质地柔软,无法采用接触式方案进行测量。
2)扫描过程中要固定好才不会变形,橡胶软工件夹持比较难。
3)橡胶密封件需要固定且尺寸较小,边缘数据也很关键,不适合在工件上贴点进行正反面拼接。
采用XTOM拍照式蓝光三维扫描仪对软质橡胶密封零部件进行扫描,为了固定并保证在扫描过程被测件不发生形变,采用专业的固定支架,搭配特制夹具进行夹持。
将工件竖直固定在夹具上,并在夹具上粘贴标志点,通过夹具标志点识别到工件正反两面标志点,以进行后续数据的正反面拼接。

橡胶密封件蓝光3D扫描
采用XTOM拍照式蓝光三维扫描仪采集点云数据,在曲面和轮廓上保留了大量的细节数据。通过精密的三维扫描,即使是橡胶零部件表面细节的形状轮廓也能显示清楚。

快速扫描小型高度细节化零件3D数据
三维扫描获得完整数据后,通过将3D数据导入到检测软件中,与原始CAD设计图进行拟合比对,即可快速获得各测量点位的具体数值。

对软质橡胶密封件孔径和孔径圆心距等进行全尺寸的分析,最终生成详细的检测报告。另外任意位置偏差状况也可以数值化的显示。

软质橡胶密封件3D数模检测对比图
ky体育在线官网XTOM拍照式蓝光三维扫描仪,采用非接触式测量,可搭配500万-900万高分辨率工业相机,可选配多组不同幅面镜头,可灵活切换扫描幅面。进行一次三维扫描,直接在检测软件中生成需要检测的数值,不用人工一项项测量,也无需寻找不同的检具。
XTOM拍照式蓝光三维扫描仪凭借其高精度、稳定性、通用性,可以对产品进行全尺寸三维检测,并可为客户定制专门的夹具和工装,为客户提供完整的检测报告,可解决自由曲面、复杂轮廓航空零部件在研发、制造和维修过程中的检测难题。